Skip to content
Macey
Images are for illustration purposes only and may not reflect standard inclusions.

Macey Kit Home

About this Kit

The Macey is a 2 bedroom, 2 bathroom kit home with 178m² of total living space. Built with premium BlueScope TRUECORE® steel frames for durability and peace of mind.

Elevations

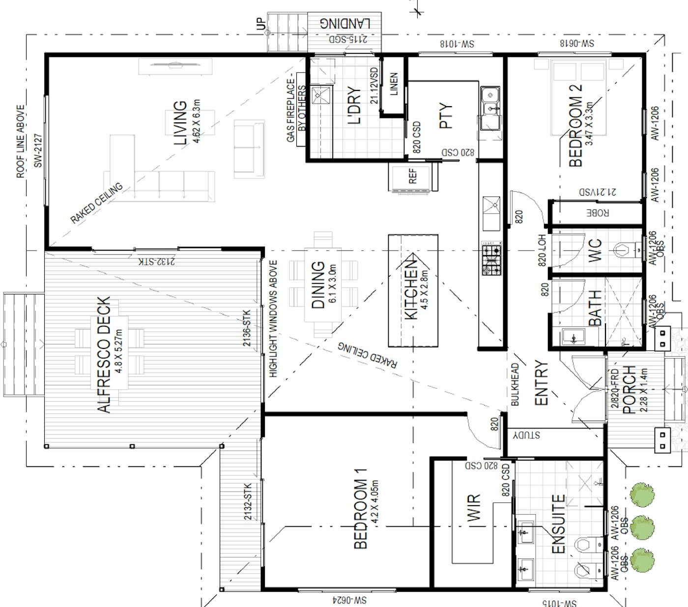
Drawings

Build Your Own Macey Kit Home

2 Bed
2 Bath

Total Kit Size: 178m²

Internal: 144m²
External: 34m²
Dimensions: 29.7m × 17.1m
Trusted BlueScope Steel Frames
Step-by-step Guide to Get Started
Build on Your Schedule
Australian Based Support
We Ensure You Get Council Approval

Kit starts from:

A$129,703

Get Quote

Purchase Blueprint

Detailed construction PDF

Download the detailed construction blueprint PDF for this plan.

Blueprint price:

A$17.99

Customise Your Kit

Explore our premium options below and generate an instant PDF quote tailored to your specifications.

Floor System

This is the base for your kit. Concrete for the slab or footings is not included in the kit price.

▶️ Watch our video on sub floors

Ceiling Height

How high would you like your ceiling?

The average ceiling height is currently 2.7m. Higher ceilings add a sense of openness and luxury.

Cladding

What do you want to cover your walls?

▶️ Watch our video on cladding types

Get Your Quote

Sent straight to your inbox

Macey

2 bed • 2 bath • 178m²

Standard kit price includes standard inclusions — add customisations below:

$0
$0
$0
$0
$0
Estimated Kit Cost inc. GST

$129,703 AUD

Slab/footings not included. Pricing shown is for Australia and includes GST.

Your Details

Related Kit Homes

These related plans have the same number of bedrooms and bathrooms as the plan you're looking at.